
Fænomenet med magnetiske felter, der opstår fra elektriske strømme gennem en spole, er et hjørnestensprincip i elektromagnetik.Denne proces udfordrer i sagens natur den oprindelige strøm med en modsatrettet kraft, en egenskab defineret som elektrisk induktans.Inden for elektriske kredsløb indkapsler induktans en spoles modstand mod vekselstrøm (AC) på grund af energilagring i dens magnetfelt.Når AC strømmer gennem en spole, støder den på en form for modstand kendt som induktiv reaktans, som svinger dynamisk baseret på to indbyrdes forbundne variable: spolens induktans (L) og AC-driftsfrekvensen (f).
Når frekvensen forstærkes, stiger den induktive reaktans proportionalt, hvilket illustrerer en direkte sammenhæng mellem spolens induktive egenskaber og kredsløbets oscillerende opførsel.
Denne indbyrdes sammenhæng udtrykkes matematisk ved ligningen:
XL = 2πfL = ωL
Her:
• XL repræsenterer induktiv reaktans i ohm.Denne ligning understøtter præcis kontrol af kredsløbsadfærd.Korrekt valg og opsætning af induktorer hjælper med at nå ydeevnemålene under forskellige driftsforhold.
Induktiv reaktans forklarer, hvordan en induktor opfører sig, når der løber vekselstrøm gennem den.Det viser, hvordan spolen modstår ændringer i strøm, hvilket direkte påvirker, hvordan signaler bevæger sig gennem et kredsløb.Denne adfærd spiller en rolle i energilagring i magnetiske felter og påvirker også, hvordan signaler svækkes eller ændres, når de passerer gennem komponenter.
Værdien af induktiv reaktans afhænger af frekvens og induktans, som vist i ligningen XL = 2πfL.Ved lave frekvenser er reaktansen lille, så strømmen kan lettere passere gennem induktoren.Ved høje frekvenser stiger reaktansen, hvilket begrænser strømmen og påvirker signalet.
Denne egenskab er nyttig i mange kredsløbsdesign.I kommunikationssystemer hjælper induktorer med at filtrere signaler ved at tillade visse frekvenser at passere, mens de blokerer andre.Dette gør induktiv reaktans vigtig i applikationer som radiokredsløb, antenner og signalbehandling, hvor styring af frekvensadfærd er nødvendig.
Induktans er meget brugt i virkeligheden elektriske systemer, især i strøm- og signalrelaterede applikationer.Det bruges i enheder som f.eks transformere, motorstyringssystemer, og strømomformere, hvor der kræves stabil energioverførsel og kontrol.Ved at justere spoledesign og induktansværdier kan systemer fungere mere effektivt og opretholde ensartet ydeevne.
I transformere er induktansen omhyggeligt designet til at forbedre energioverførslen og reducere tab.I vedvarende energisystemer som solcelle-invertere og vindmøller hjælper induktorer med at udjævne ændringer i udgangseffekt forårsaget af varierende forhold.Dette hjælper med at opretholde en stabil og pålidelig elektrisk forsyning.
Induktiv reaktans refererer til den modstand, en induktor præsenterer for skiftende strømme i et elektrisk kredsløb.Konceptet er forankret i genereringen af selvinduceret elektromotorisk kraft (EMF), som modvirker fluktuationer i strømmen.Denne modsætning afhænger direkte af værdien af selvinduktansen L af spolen og frekvensen f af vekselstrømmen (AC).Både højere induktans og øget frekvens bidrager til en stærkere modstand, hvilket i sidste ende øger den induktive reaktans.Induktorer bruges i AC-kredsløb, de rummer strømme ved lave frekvenser, herunder jævnstrøm (DC), men hæmmer strømmen af højfrekvente signaler.
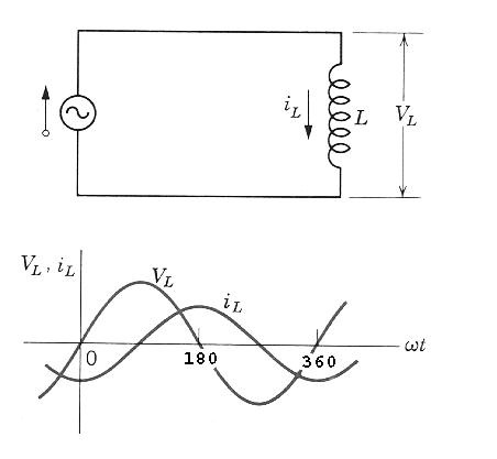
Forholdet mellem spænding og strøm i rent induktive kredsløb er elegant udtrykt ved ligningen u = L (di/dt).Denne formel forbinder vekselspændingen u, den selv-inducerede EMF εL, og den hastighed, hvormed strøm i ændres over tid.
• I AC-drift forårsager sinusformede strømme periodiske ændringer i den selvinducerede EMF i induktoren.
• Når strømmen når sin spidsværdi, bliver dens ændringshastighed et øjeblik nul, og spændingen over induktoren falder til nul.
• Omvendt, når strømmen går gennem nul, topper ændringshastigheden, hvilket resulterer i maksimal spænding over induktoren.
Dette samspil mellem spænding og strøm resulterer i et unikt faseskift, spændingen fører strømmen 90 grader.Faseforskellen bruges i AC-systemdesign til at kontrollere, hvordan induktorer interagerer med vekselstrøm.
Den induktive reaktans XL kan beregnes ved hjælp af XL = 2π f L, en funktion af frekvens f og selvinduktans L. For DC-systemer f = 0, XL = 0, hvilket indikerer, at induktorer tillader DC at flyde frit, mens de hindrer AC-signaler, især ved højere frekvenser.Denne egenskab er essentiel i applikationer såsom elektroniske filtre, hvor induktorer isolerer målfrekvenser og undertrykker uønsket interferens.

Induktive systemer viser en fascinerende evne til at styre energi.I modsætning til modstande, der irreversibelt spreder energi som varme, lagrer induktorer energi i deres magnetfelter.Denne energi svinger cyklisk mellem induktoren og dens eksterne strømkilde, hvilket skaber en dynamisk energiudveksling uden permanent tab.
• Under den maksimale strømfase maksimeres magnetfeltet i induktoren og lagrer energi fra kredsløbet.
• Når strømmen falder, frigives den lagrede energi tilbage til kredsløbet, hvilket bevarer det oscillerende mønster.
Denne cykliske adfærd illustrerer induktorens rolle som et elektromagnetisk energireservoir.I applikationer, såsom transformere og induktive lagringsenheder, udnyttes denne energilagring for at opnå driftseffektivitet med minimale resistive tab.Disse funktioner understreger vigtigheden af at opretholde en balance mellem induktans og energitab for at optimere kredsløbsydelsen.
Den faseledende karakteristik af induktorer påvirker det elektriske design på væsentlige måder.Overvej kraftoverførselssystemer, hvor det induktive faseskift kan påvirke systemets effektfaktor.Kompensationsstrategier, såsom inkorporering af kondensatorer, bruges ofte til at afbalancere reaktiv effekt og stabilisere systemet.
Induktorer spiller også væsentlige roller i elektroniske oscillatorer, hvor deres evne til at lagre og frigive energi på tværs af cyklusser muliggør skabelsen af vedvarende oscillatoriske signaler.Disse signaler er vigtige for at generere stabile frekvenser i kommunikations- og kontrolsystemer.
Derudover gør den frekvensselektive karakter af induktorer dem uundværlige i tunede kredsløb og filtre.
For eksempel:
• Højfrekvent blokering anvendes i radiofrekvenskredsløb (RF) for at adskille og styre signaler på tværs af kommunikationskanaler, hvilket reducerer interferens.
• Selektiv frekvensisolering øger systemets pålidelighed og sikrer klare kommunikationskanaler.
Induktorer føjes til kredsløb for at forbedre kontrol og effektivitet på tværs af applikationer, fra forbrugerelektronik til avancerede strømsystemer.Induktorernes alsidighed sikrer fortsat deres relevans i moderne eltekniske innovationer.
For at forstå udledningen af den induktive reaktansformel i transformere, nedbryder dette afsnit de grundlæggende ligninger og praktiske indsigter.Derudover understreger den overvejelser til design, ydeevne og optimering i elektromagnetiske systemer.
Den grundlæggende formel for induktiv reaktans er udtrykt som:
XL = 2π f L
Dette udtrykker, hvordan induktiv reaktans XL er påvirket af frekvensen f af vekselstrøm og induktans L. I transformerapplikationer er den primære belastningsimpedans Zprimære påvirkes som følger:
Rprimær_belastning = Zprimære = Rspole + XL
Typisk er modstanden af den primære vikling Rspole er relativt lille, hvilket tillader den primære belastningsimpedans at være primært induktiv til de fleste praktiske anvendelsestilfælde.
Transformatorspole design:
(1) Minimering af resistive tab er et fælles designmål for bedre energieffektivitet.Mindre modstand betyder reduceret effekttab gennem varmeafledning, som beregnet af I2Rspole.
(2) Ved forhøjede frekvenser øger fænomener som hudeffekten og nærhedseffekten den effektive modstand.Disse skal overvejes nøje, især i præcisionskrævende applikationer.Anvendelse af optimeret trådgeometri og ledende materialer kan hjælpe med at modvirke disse effekter.
Startende med den induktive reaktansformel:
L = Rprimær_belastning / 2π f
induktansen L kan isoleres og bestemmes, når primær belastningsmodstand Rprimær_belastning og driftsfrekvens f er kendt.
For praktisk at estimere Rprimær_belastning, følgende forhold er nyttigt:
Rprimær_belastning = Vprimære / Istatisk
Nøgleparametre omfatter:
• Vprimære: primær spænding.
• Istatisk: tomgangsstrøm, som typisk udgør omkring 5 % af den primære fuldlaststrøm.
Eksempel på beregning
Givet en transformer med følgende egenskaber:
• Spændingsforhold: 1:1,2.
• Sekundær fuldlaststrøm Isekundær_fuld belastning = 200 mA.
• Primær fuldlaststrøm Iprimær_fuld belastning = 240 mA.
Tomgangsstrøm kan tilnærmes som:
jegstatisk ≈ 0,05 · Iprimær_fuld belastning ≈ 10 mA.
Hvis Vprimære = 5 V:
Rprimær_belastning = 5 / 0,01 = 500 Ω.
Ved hjælp af Rprimær_belastning = 500 Ω og f = 500 kHz:
L = 500 / (2π · 500.000) ≈ 159 μH.
Denne beregnede induktans på 159 μH definerer vigtige operationelle karakteristika som energioverførselseffektivitet og impedansjustering, hvilket forbedrer transformerens ydeevne.
Frekvens spiller en nøglerolle ved bestemmelse af induktiv adfærd i transformersystemer.Når frekvensen stiger, stiger den induktive reaktans også, hvilket kan begrænse strømflowet og påvirke faseforholdet mellem spænding og strøm.I højfrekvente systemer kan overdreven reaktans føre til reduceret strøm eller signalforvrængning.Ved lavere frekvenser skal induktansen øges for at opretholde lignende ydeevne og effektivitet, hvilket gør frekvens til en vigtig faktor i induktivt design.
Sammensætningen af kernematerialet påvirker direkte både induktans og reaktans.Materialer med høj magnetisk permeabilitet, såsom ferrit eller siliciumstål, tillader effektiv håndtering af magnetisk flux og forbedrer den generelle ydeevne.Imidlertid kan overdreven magnetisk flux føre til kernemætning, som forvrænger strømbølgeformer og reducerer effektiviteten.Korrekt materialevalg og design hjælper med at forhindre disse problemer og opretholder stabil drift.
Temperaturændringer påvirker også den induktive ydeevne ved at påvirke viklingsmaterialets modstand.Når temperaturen stiger, øges modstanden, hvilket kan påvirke følsomheden af Rprimary_load og ændre induktiv reaktansadfærd.For at løse dette inkluderer design ofte kølemetoder eller bruger materialer, der opretholder stabil ydeevne under varierende temperaturforhold.
Nøjagtig beregning af induktiv reaktans gør det muligt at indstille transformere til specifikke driftsfrekvenser.En klar forståelse af, hvordan modstand, induktans og frekvens interagerer, understøtter designet af systemer, der fungerer effektivt på tværs af forskellige applikationer, herunder både højfrekvente kommunikationssystemer og lavfrekvente strømnetværk.
Korrekt optimeret reaktans hjælper også med at identificere potentielle fejl, såsom kortslutninger eller åbne viklinger.Dette forbedrer systemets pålidelighed og understøtter sikrere drift ved at tillade tidlig detektering af unormale forhold.
Principperne for induktiv reaktans gælder for en bred vifte af elektriske og elektroniske systemer ud over transformere.I motorstyringssystemer styres reaktansen for at opretholde stabil ydeevne under skiftende belastningsforhold.I strømkonvertere bruges lignende koncepter til at understøtte effektiv energioverførsel og stabil kredsløbsdrift.
Induktiv reaktans er et nøglebegreb for at forstå, hvordan induktorer opfører sig i AC-kredsløb.Det styrer strømstrømmen, påvirker faseskift, lagrer energi i magnetiske felter og hjælper med at styre signaler på tværs af forskellige frekvenser.Korrekt beregning og design er nødvendig for at reducere tab, forbedre transformatorydelsen, stabilisere strømsystemer og filtrere uønskede signaler.Selvom faktorer som frekvens, kernemateriale, temperatur og viklingsmodstand kan påvirke ydeevnen, forbliver veldesignede induktive komponenter væsentlige i elektriske og elektroniske systemer.
XC og XL er typer af reaktans i AC-kredsløb.XL refererer til induktiv reaktans, som kommer fra induktorer, mens XC refererer til kapacitiv reaktans, som kommer fra kondensatorer.Begge afhænger af frekvensen.XL stiger, når frekvensen stiger, mens XC falder, når frekvensen stiger.Ved resonans bliver deres værdier ens, hvilket hjælper med at balancere kredsløbet.
Induktans er en egenskab ved en leder, der gør det muligt for den at producere en spænding, når strømmen gennem den ændres.Dette sker på grund af magnetfeltet omkring lederen.Induktiv reaktans er modstanden mod ændringer i strøm forårsaget af denne effekt.Højere induktans betyder stærkere modstand mod aktuelle ændringer.
Induktiv reaktans er den opposition, en induktor giver til vekselstrøm.Det fungerer som modstand, men vises kun i AC-kredsløb.Det er repræsenteret ved XL og målt i ohm.Værdien afhænger af både induktansen og frekvensen af signalet.
Reaktans findes ved at sammenligne induktiv og kapacitiv reaktans.Den samlede reaktans er forskellen mellem XL og XC.Induktiv reaktans stiger med frekvensen, mens kapacitiv reaktans falder med frekvensen.Dette forhold hjælper med at bestemme, hvordan et kredsløb reagerer på forskellige signaler.
I et LCR-kredsløb repræsenterer XL den induktive reaktans af induktoren.Det viser, hvor meget induktoren modstår ændringer i strøm ved en given frekvens.Ved resonans bliver XL lig med XC, og kredsløbet fungerer effektivt med afbalanceret reaktans.
2024-07-29
2024-08-28
2024-10-06
2024-07-04
2024-04-22
2023-12-28
2024-07-15
2024-11-15
2024-07-10
2025-09-20









